
一起探讨一下具体应用程序的编写方法,我们以运料小车控制系统的编程方法为例进行讲解。

运料车主要用于搬运加工工件,在工矿企业的生产车间是比较常见的运输设备。运料车由三相交流异步电动机进行驱动。其运动方向的改变主要是通过电动机的正反转来实现。控制系统正常运行时,一般设为连续运行(自动控制)状态。但在调试系统或设备维修过程中,往往需把系统设为点动控制(手动控制),所以运料车的控制实际上就是电动机点动、连续正反转控制。
运料车由三相交流异步电动机拖动,可左右运行,如图1所示。具体控制要求如下:

图 1
1、点动控制时,按点动正转按钮,电动机正转点动运行,运料车左行;按点动反转按钮,电动机反转点动运行,运料车右行。
2、连续控制时,按正转按钮,电动机连续正转,运科车连续左行;按反转按钮,电动机连续反转,运料车连续右行;按停止按钮,运料车随时停止。
3、运料车应有软、硬件互锁控制功能
要求用前面已经学过的编程件和方法试着编写PLC控制编程(梯形图):
(1)用触点线圈指令编程;
(2)用置位复位指令编程;
(3)用跳转与跳转标号指令编程。
一、设计电气原理图
1、选择电器件及PLC型号
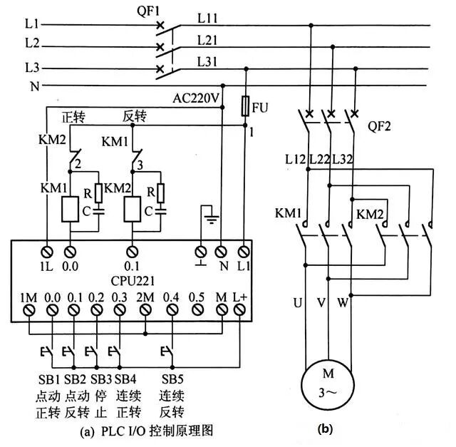
输入信号:点动正转按钮1个、点动反转按钮1个、连续正转按钮1个、连续反转按纽1个、停止按钮1个,输入信号共5个,要占用5个输入端子,所以PLC输入至少需5点。(这里说明一下,限位因篇幅的原因,不做考虑)。
输出信号:正转接触器1个、反转接触器1个,占用PLC两个输出端子,所以PLC输出至少需2点。查西门子PLC用户手册可知,CPU221主机输入6点、输出4点,能满足实际需求的输入5点输出2点的要求。因PLC控制电动机,所以继电器输出型的PLC就能满足要求,选择CPU221继电器输出型的PLC即可。
2、设计电气原理图
电气原理图见图2所示。

图 2
二、控制程序设计
1、用触点指令编程
运料车的控制要求既有点动又有连续正反转控制功能, 用中间继电器进行状态转换后就很较易实现要求,如图3所示,网络1、网络3实现了既能点动又能连续的正转控制,网络2、网络4实现了既能点动又能连续的反转控制。


图 3
2、用置位复位指令编程
用置位位复位指令编程也可以实现电动机连续控制,其运行程序如图4(1)所示。

图 4(1)
点动控制不能用置位复位指令,只能用触点线圈指令编程,既有点动、又有连续控制功能的电动机运行程序如图4(2)所示。


图 4(2)
3、用跳转与跳转标号指令编程
前面用5个按钮实现运料车点动,连续启停控制,其实点动、连续控制方式也可用旋转开关进行方式选择,这时正转反转停止按钮仍需要,电气原理图稍有变化。输入信号:旋钮开关1个,正转启动校钮1个,反转启动按钮1个,停止按钮1个,输入至少需4点。输出信号同前,正反转接触器线圈各1个,至少需2点。仍选择CPU221 (输入6点,输出4点)继电器输出型。
电气原理图可在图1的基础上稍作修改,输入信号少用个按钮, 在此不再重画电气原理图,程序中I0.3假设接通为点动,断开为连续,控制程序如图5所示。



图 5
前面也提到过,任何一个实际控制程序,可以用不同的方法来进行编写。究竟什么样的程序是合适的,就要看程序是不是编写简单、维护起来方便,还有就是运行可靠,尽量减少冗余。
来源:网络,版权归原作者所有,如涉及作品版权问题,请及时与我们联系删除,谢谢!



ZHINANCHE

戳”阅读原文“,报名咨询机器人课程
今天的文章 2026年plc1200程序实例(plc1200指令详细解说)分享到此就结束了,感谢您的阅读。
版权声明:本文内容由互联网用户自发贡献,该文观点仅代表作者本人。本站仅提供信息存储空间服务,不拥有所有权,不承担相关法律责任。如发现本站有涉嫌侵权/违法违规的内容, 请发送邮件至 举报,一经查实,本站将立刻删除。
如需转载请保留出处:https://bianchenghao.cn/bian-cheng-ri-ji/34093.html